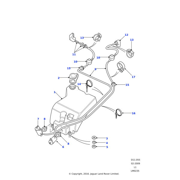
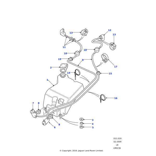
UPDATED DEFENDER PARTS PRICING

Prices on 1,500 Genuine Defender Classic Parts have been reduced by an average of 40%, supporting you in maintaining, restoring, and protecting your Classic. 

Every Genuine Part is engineered to original Land Rover specifications and backed by a two‑year warranty. Whether maintaining or restoring, genuine parts will keep your Classic Defender true to its origins. 

Filter By

88 Products

Set Descending Direction
Page
per page