20% OFF PARTS - USE CODE: SPRING20 AT CHECKOUT | T&CS APPLY

 

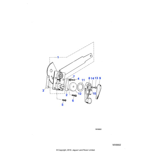
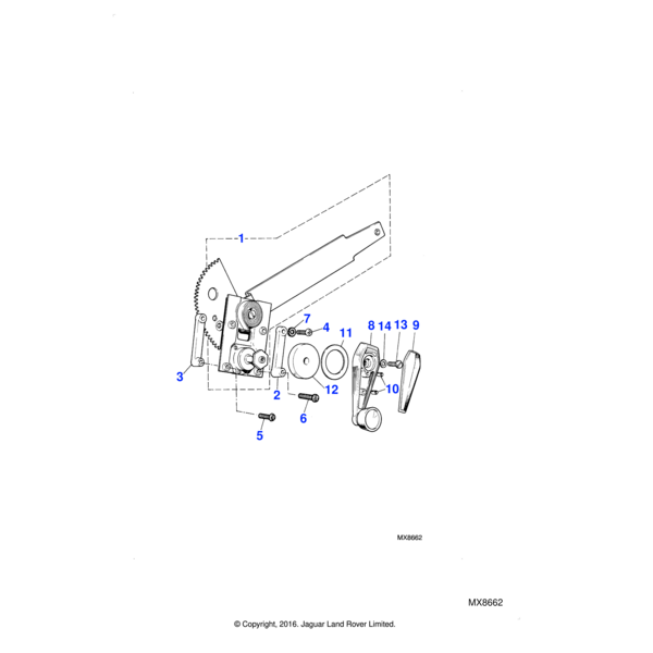
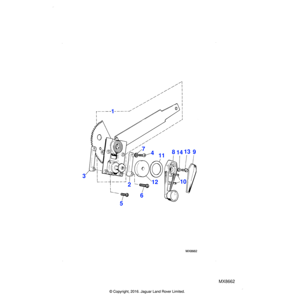
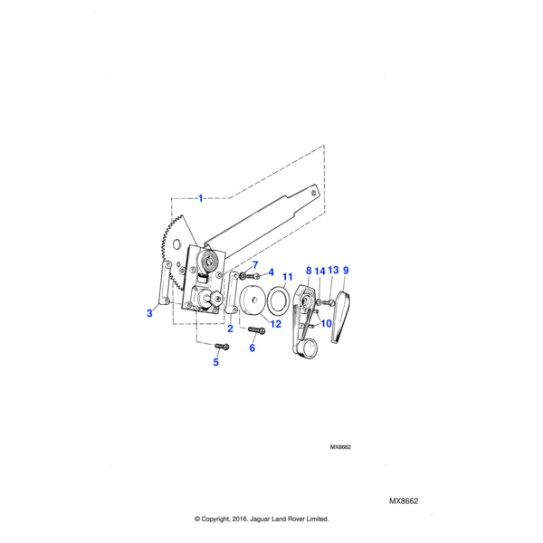
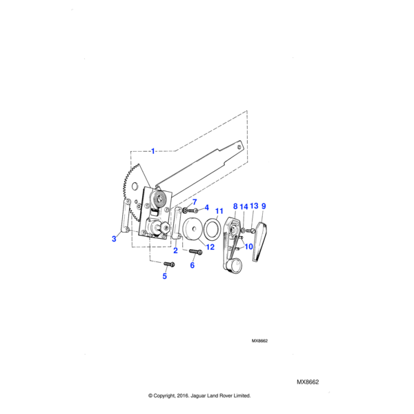
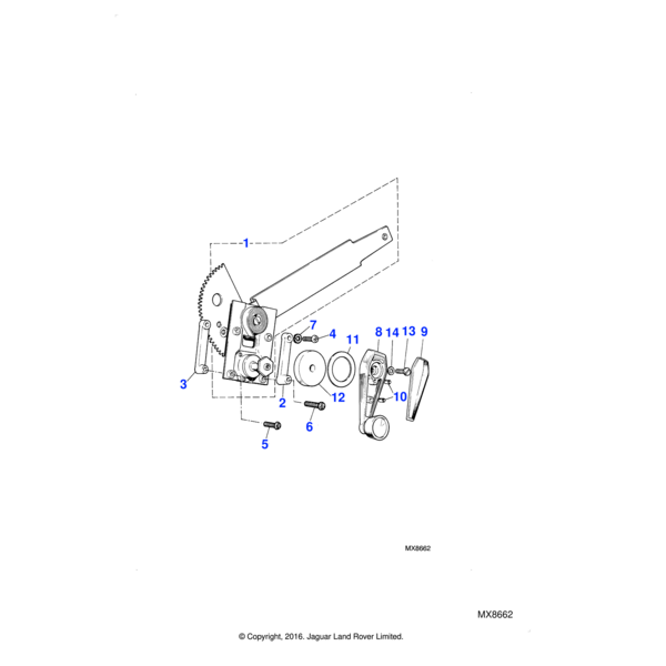
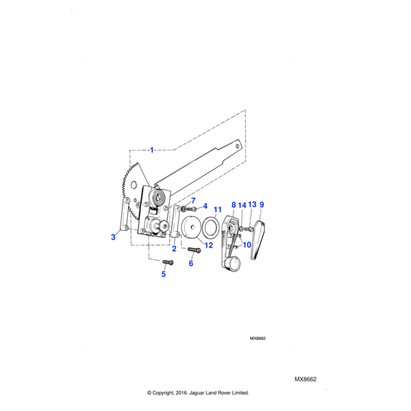
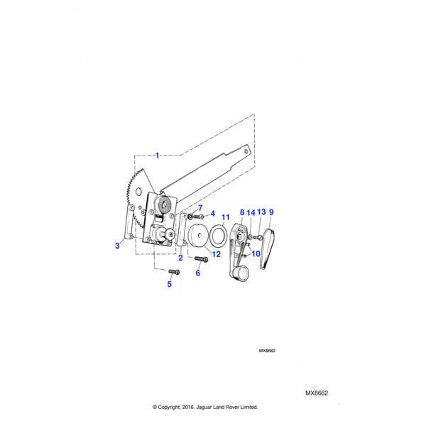
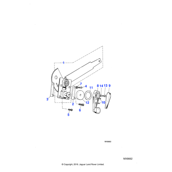
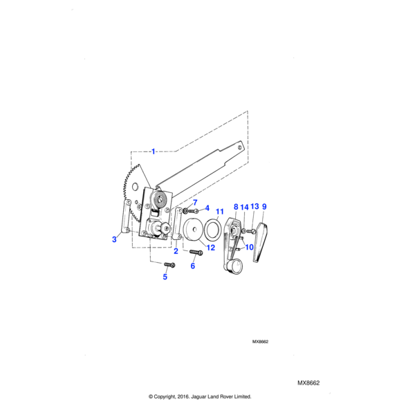
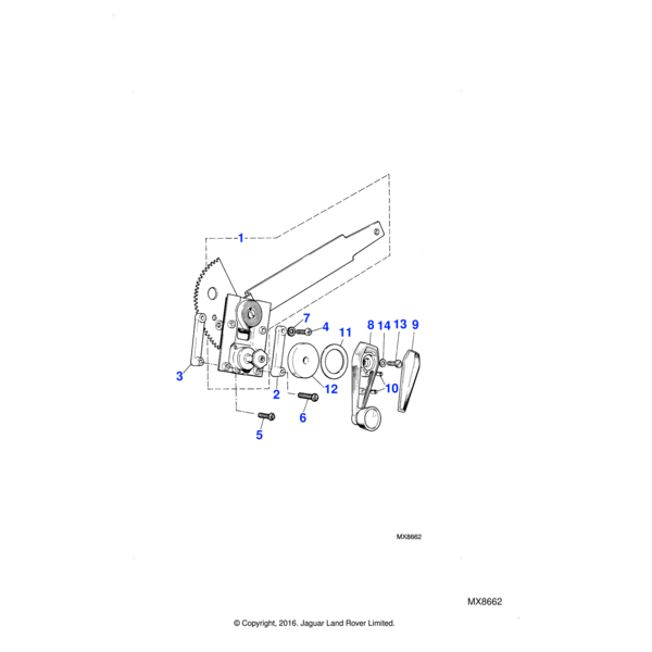
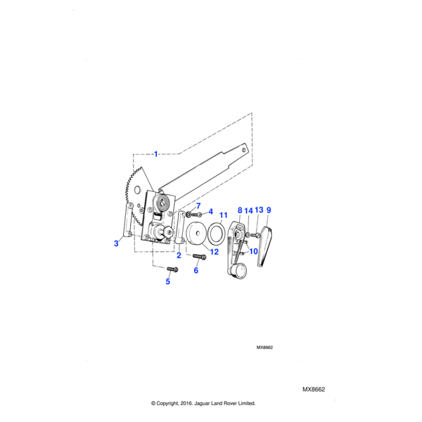
Window Regulator-front-manual

Filter By

22 Products

Set Descending Direction
Page
per page