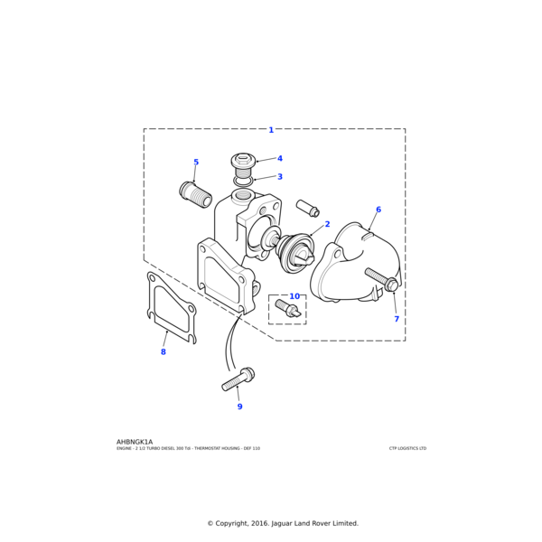
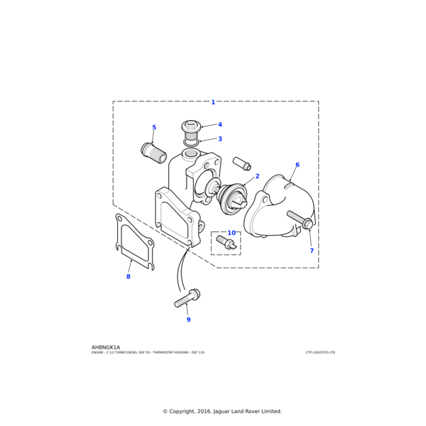
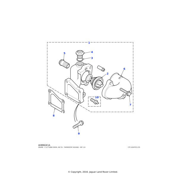
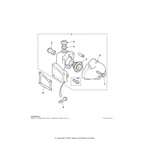
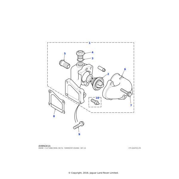
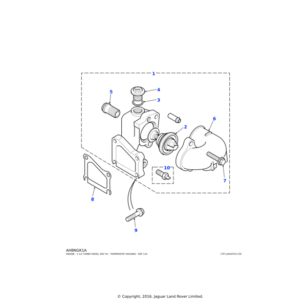
Thermostat Housing (2.5l Tdi)

Filter By

13 Items

Set Descending Direction
per page