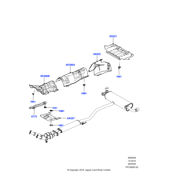
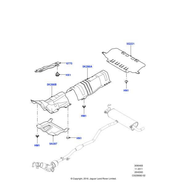
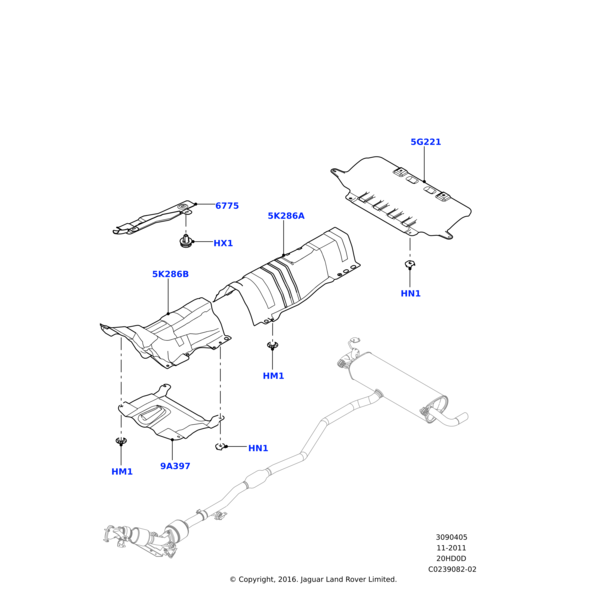
Heat Shields - Exhaust System (3.2l Dohc Mpi Petrol I6)

Filter By

13 Items

Set Descending Direction
per page