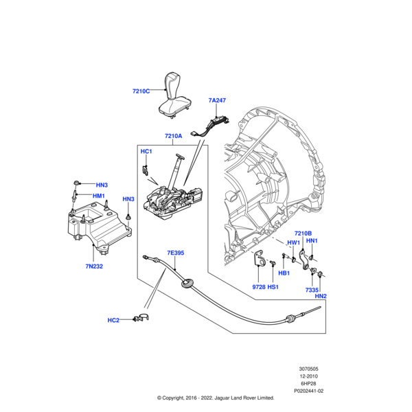
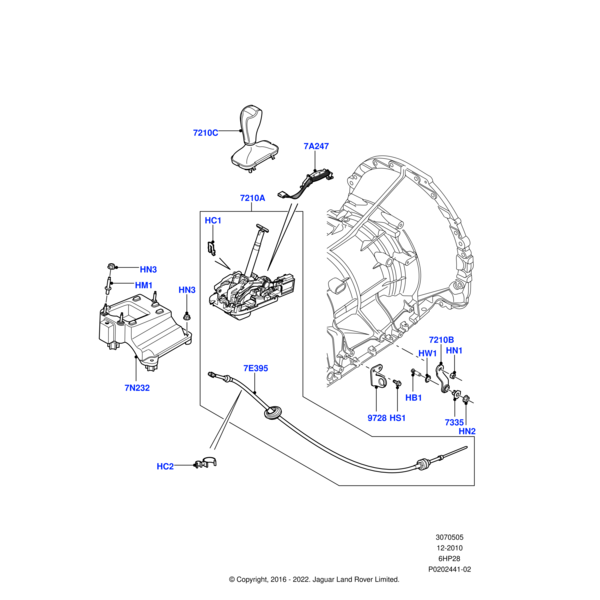
5 Speed Automatic (zf)


Land Rover Range Rover 2002 - 2009 (l322) OEM Parts
Discover Genuine 5 Speed Automatic (ZF) Parts For Land Rover Range Rover 2002 - 2009 (L322) Classic, designed to ensure the smooth operation and reliability of your vehicle's transmission system. These authentic components are precision-engineered to meet Land Rover's exacting standards, offering durability and exceptional performance.
Our selection includes essential parts such as auto trans cooling modules and sensors and automatic transmission components, ensuring your Range Rover continues to deliver a seamless driving experience. Whether you're performing routine maintenance or tackling a repair, these genuine parts are the perfect fit.
Shop now on JLR Classic Parts to browse our extensive range of transmission components.