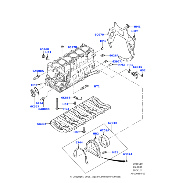
4.4 Petrol V8 Dohc


Land Rover Range Rover 2002 - 2009 (l322) OEM Parts
Explore our range of genuine 4.4 Petrol V8 DOHC parts for the Classic Land Rover Range Rover (2002-2009), expertly crafted by Jaguar Land Rover to ensure peak performance and reliability. From essential components like crankshafts, pistons, and flywheels to engine air intake and cooling systems, each part is designed for durability and a perfect fit. Whether you're working on timing gear or upgrading exhaust systems, our selection offers everything needed to keep your powerful V8 engine running smoothly. Shop today for authentic parts tailored to your classic Range Rover’s needs.














