FIND OUR SEASONAL DELIVERY INFORMATION HERE

 

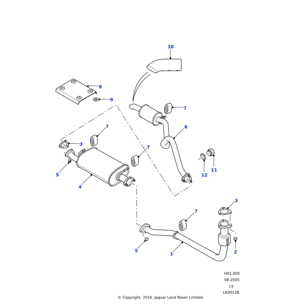
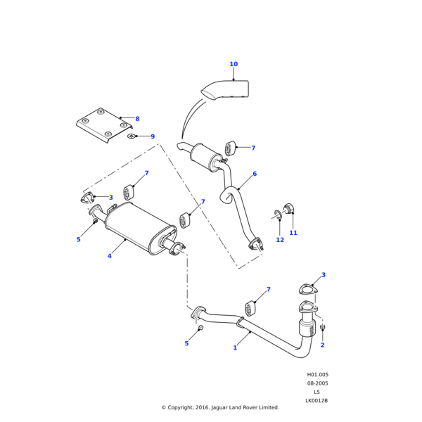
Exhaust Diesel