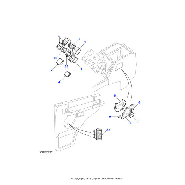
Body Electrics