We are very pleased to share that our e-commerce operations have now resumed, and our website is once again accepting online orders.

 

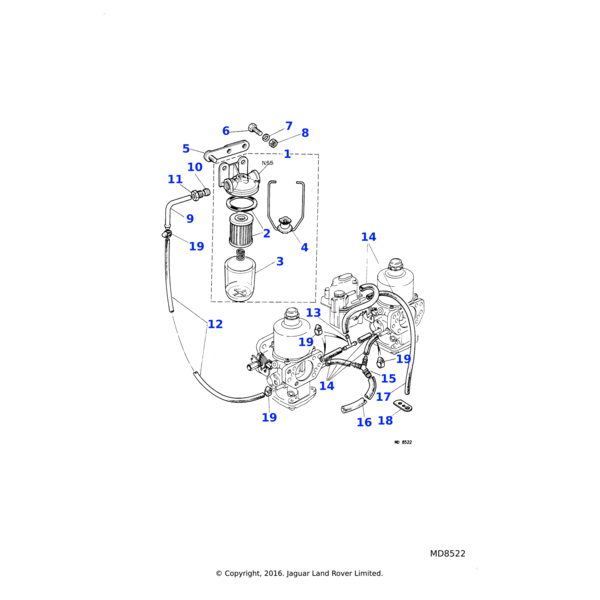
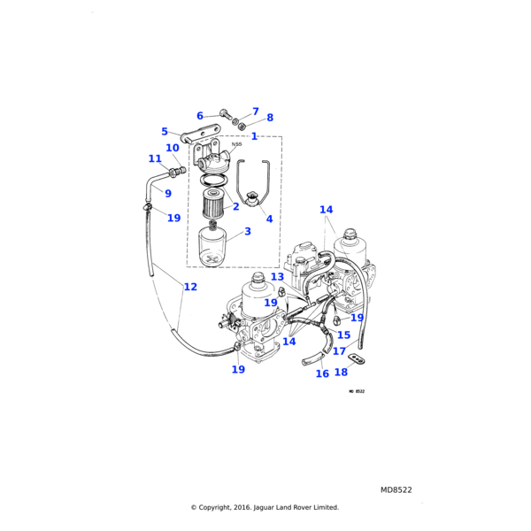
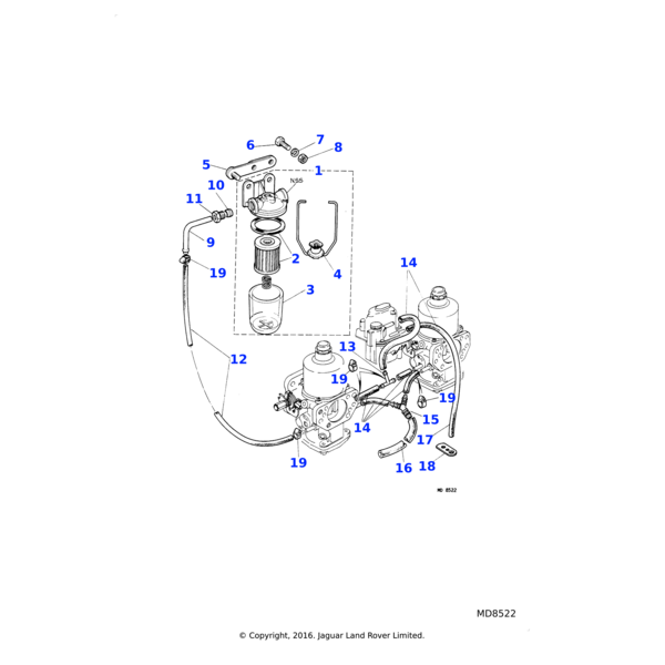
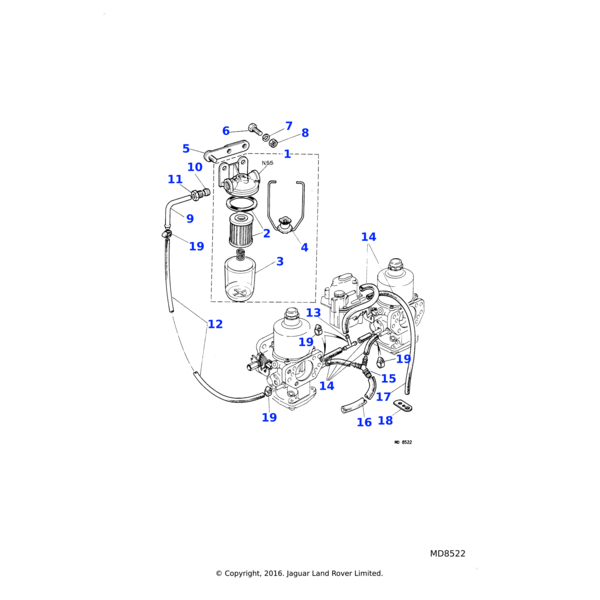
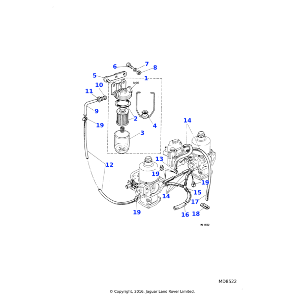
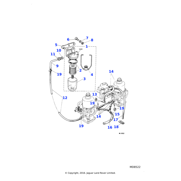
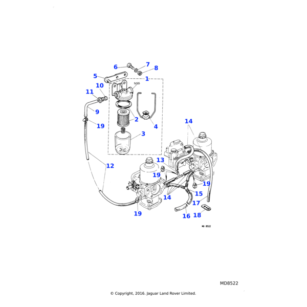
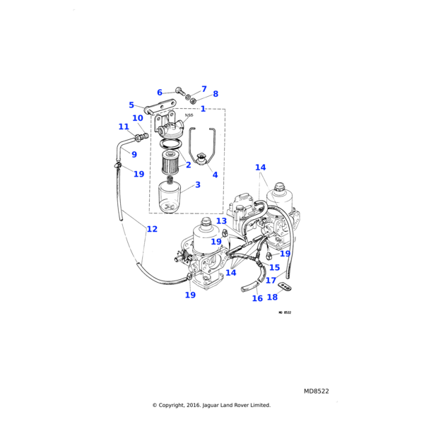
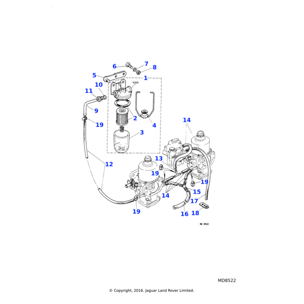
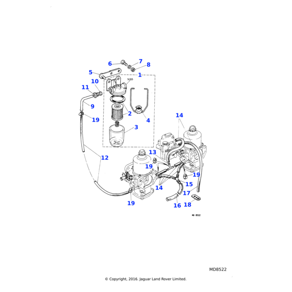
Fuel Filter / Hoses-automatic Choke-to End 1983my ((d)to End 1983my)