20% OFF PARTS - USE CODE: SPRING20 AT CHECKOUT | T&CS APPLY

 

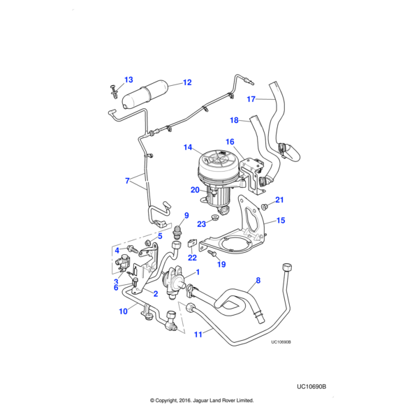
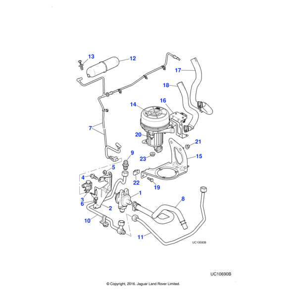
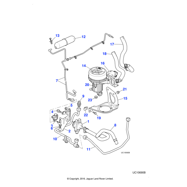
Secondary Air Injection System

Filter By

38 Products

Set Descending Direction
Page
per page