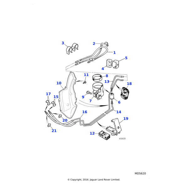
Fuel Pipes And Hoses

Filter By

26 Products

Set Descending Direction
Page
per page