15% OFF PARTS & ACCESSORIES - USE CODE: WINTER15 AT CHECKOUT | T&C'S APPLY

 

 

FIND OUR SEASONAL DELIVERY INFORMATION HERE

 

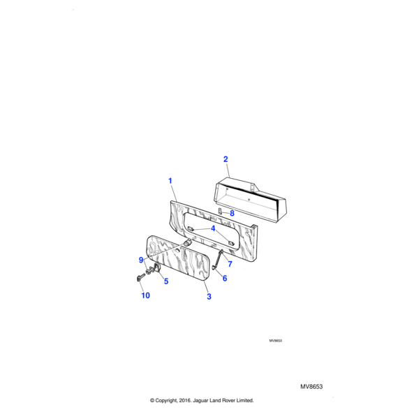
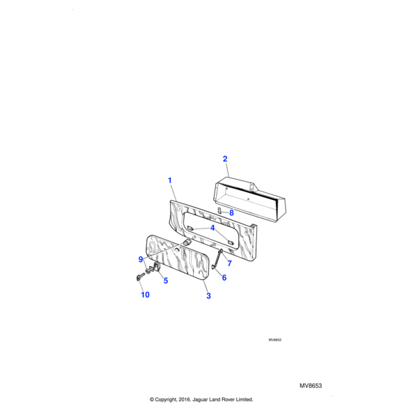
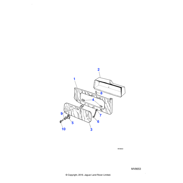
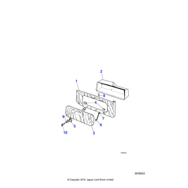
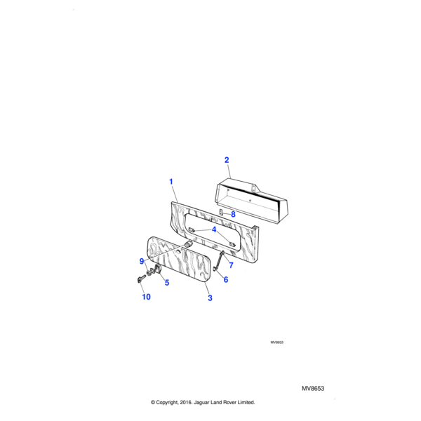
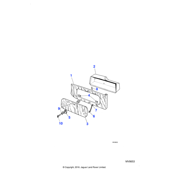
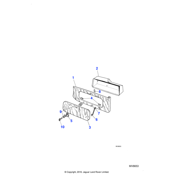
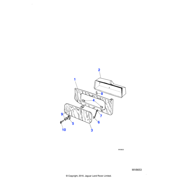
Glovebox