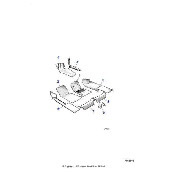
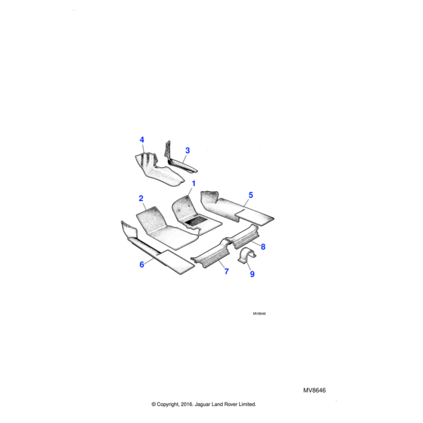
Carpet-front Compartment