We are very pleased to share that our e-commerce operations have now resumed, and our website is once again accepting online orders.

 

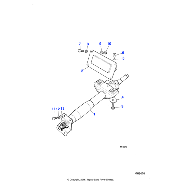
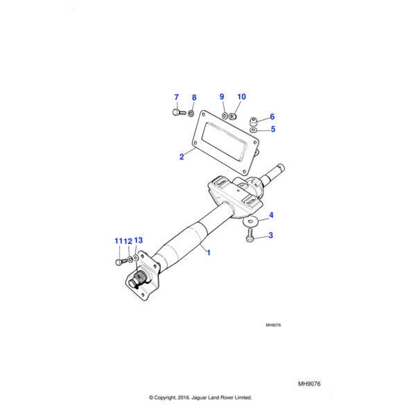
Steering Column-upper-square Cowl