20% OFF PARTS - USE CODE: SPRING20 AT CHECKOUT | T&CS APPLY

 

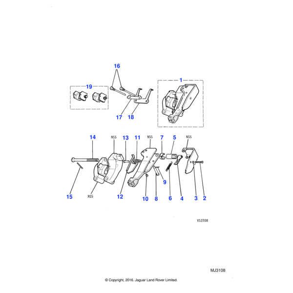
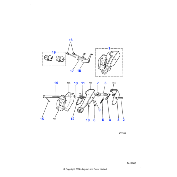
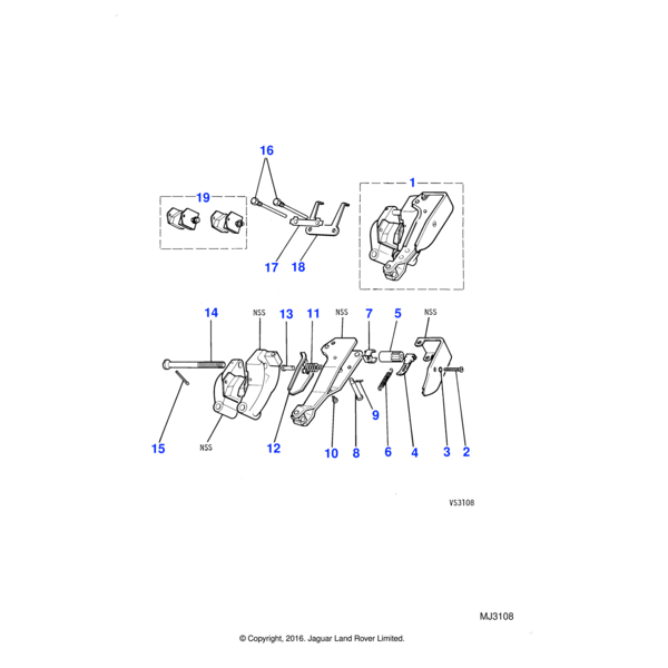
Handbrake Mechanism

Filter By

11 Items

Set Descending Direction
per page