JavaScript seems to be disabled in your browser. For the best experience on our site, be sure to turn on Javascript in your browser.
15% OFF PARTS & ACCESSORIES - USE CODE: WINTER15 AT CHECKOUT | T&C'S APPLY
FIND OUR SEASONAL DELIVERY INFORMATION HERE
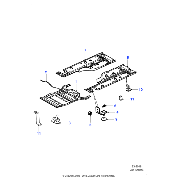
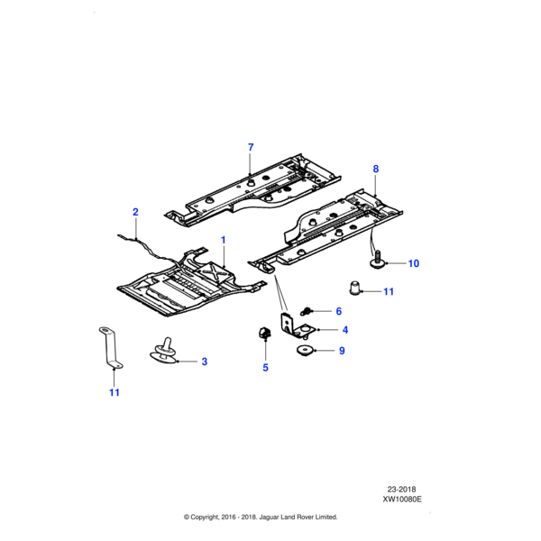
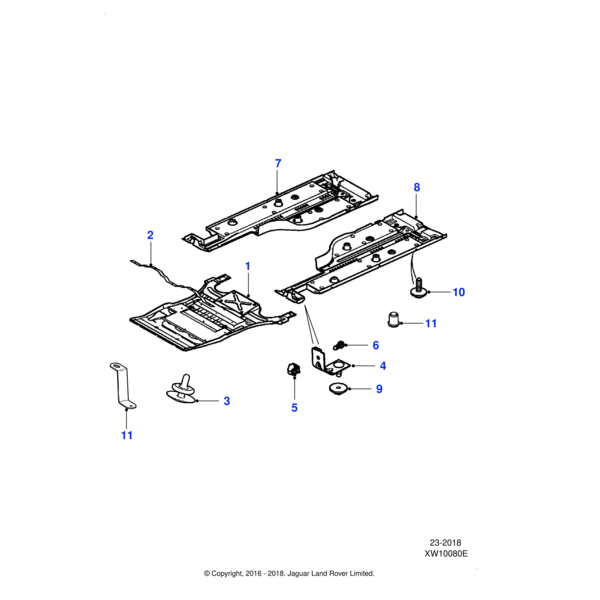
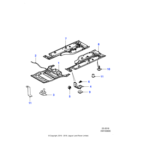
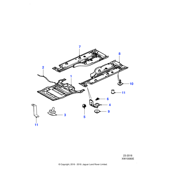
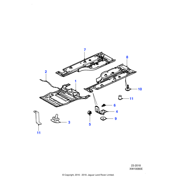
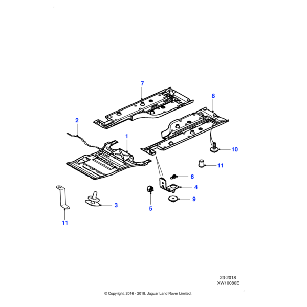
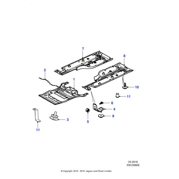
57 Products