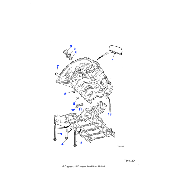
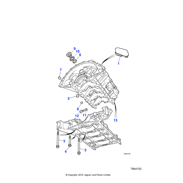
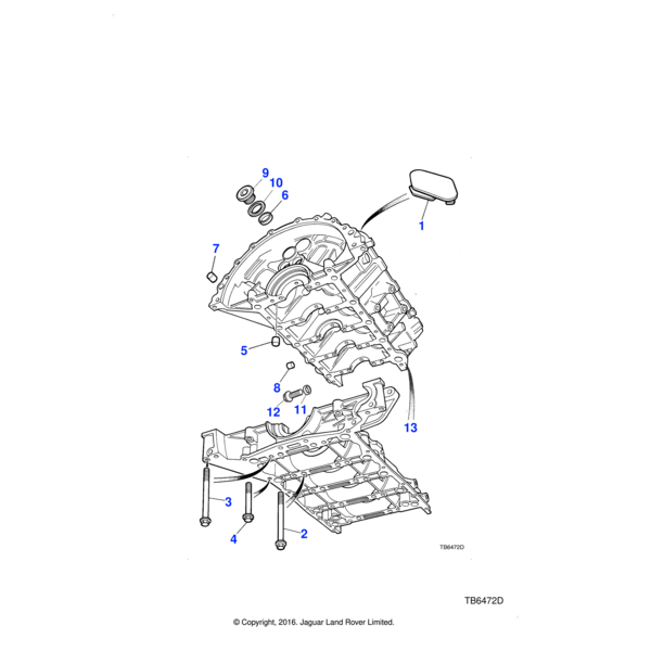
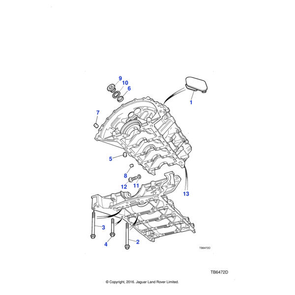
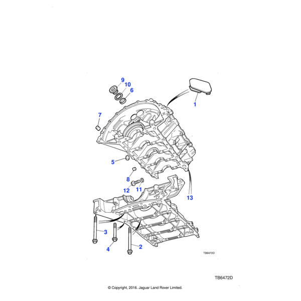
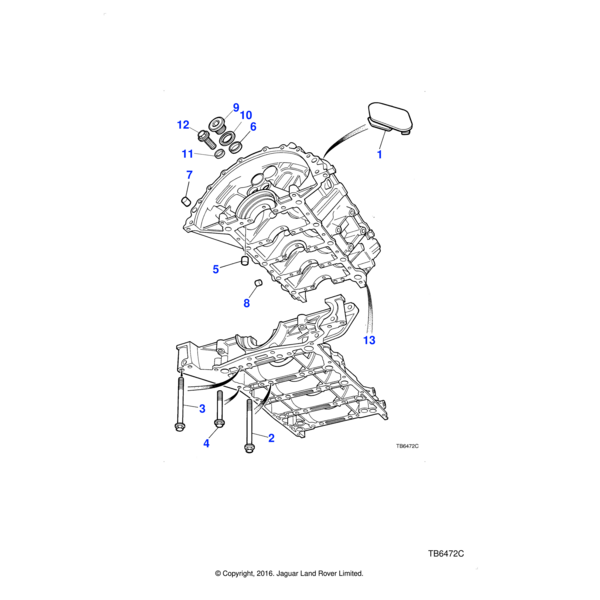
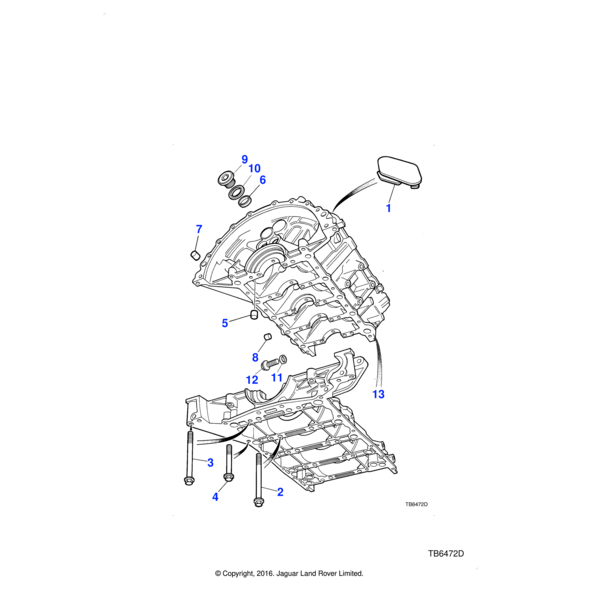
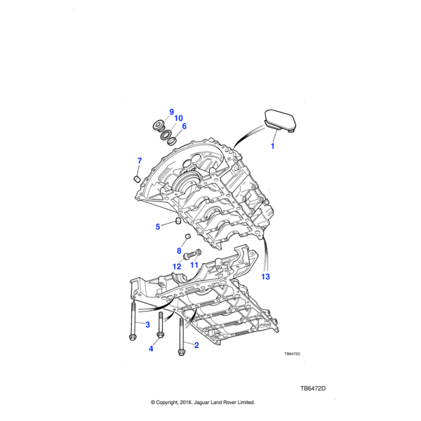
Cylinder Block And Bedplate-v8-petrol (aj28 V8,aj33 V8)

Filter By

16 Products

Set Descending Direction
Page
per page