15% OFF PARTS & ACCESSORIES - USE CODE: WINTER15 AT CHECKOUT | T&C'S APPLY

 

 

FIND OUR SEASONAL DELIVERY INFORMATION HERE

 

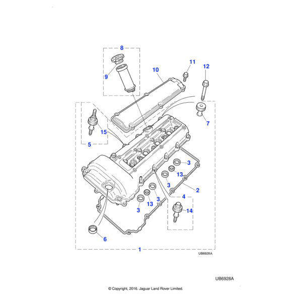
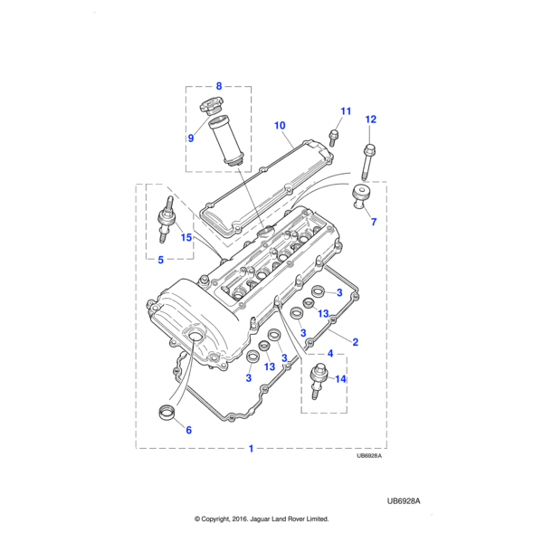
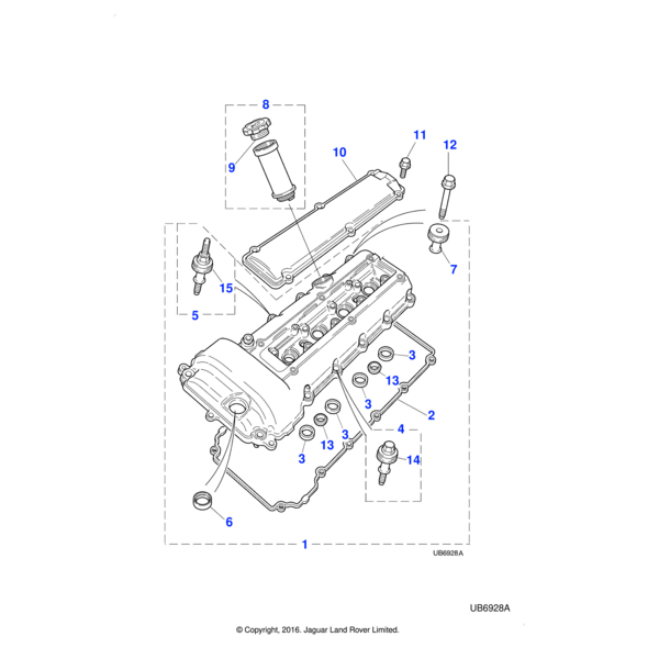
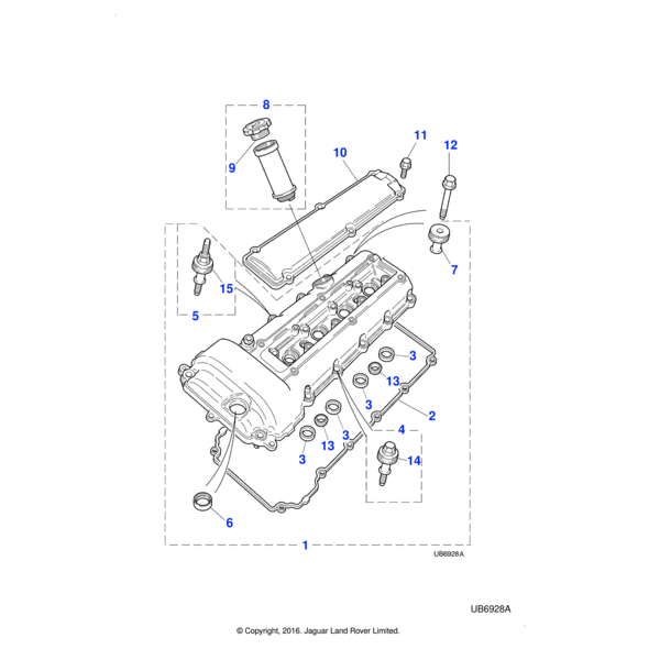
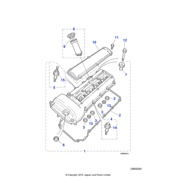
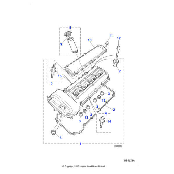
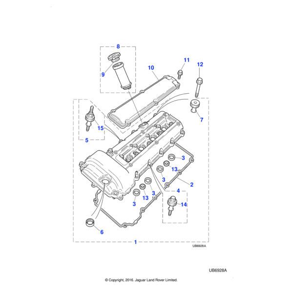
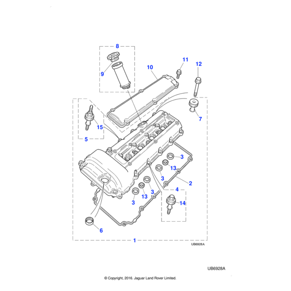
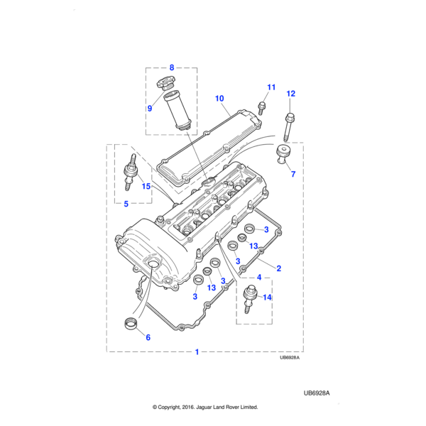
Camshaft Cover And Gasket-v8-to (v) M45254 (aj28 V8)((v)tom45254)